Modification ampli à lampes Peavey

tout ce qui touche à l'électronique

Modérateur : FAQueurs

Avatar du membre
Mickaël
Mais tais-toi !!!
Messages : 6156
Enregistré le : mar. 16 févr. 2016 22:25
Nombre de guitares fabriquées : 13
Localisation : PACA
Contact :

Re: Modification ampli à lampes Peavey

Message par Mickaël »

archpat a écrit : lun. 2 mars 2026 17:05
fidler a écrit : lun. 2 mars 2026 16:12 J'y comprends pas grand chose mais j'adore suivre le feuilleton :green:
Je voudrais pas spoiler mais à la fin Mickaël se prend une châtaigne dans les doigts :green:
Les châtaignes, je préfère les manger ! Surtout en crème de marron :lol:

Je ne vais pas dire que l'ampli est fini car je pense qu'à l'avenir, il y aura d'autres modifications, mais l'ampli est fonctionnel, je suis plutôt sur le cab maintenant. C'est long à détailler, il faut faire les captures sur les schémas, modifier les dessins proprement, vérifier que je n'ai pas dit n'importe quoi. Et ça fait déjà des gros pavés donc il vaut mieux étaler dans le temps.
Avatar du membre
Pronto
Moderatus Simplex
Messages : 4437
Enregistré le : mer. 18 déc. 2013 10:11
Nombre de guitares fabriquées : 3
Localisation : Paris

Re: Modification ampli à lampes Peavey

Message par Pronto »

Je suis toujours épaté par les gars comme toi, Mickaël ,qui arrivent à mettre les mains dans un ampli (sans prendre de châtaignes…) et que l'ampli marche mieux ensuite.
A titre personnel, je n'y comprend que dalle.
C'est con parce que j'ai un petit Fender Champ, des années 70 je crois, qui avait un son super mais il a failli prendre feu une fois, un soir de concert dans un bar. J'ai changé le transfo de sortie et maintenant il est suraigu avec une grosse perte de puissance. Je m'en sert à la maison alors la puissance n'est pas un problème mais bon…
Dans une prochaine vie j'essaierai d'apprendre un peu !
Avatar du membre
Mickaël
Mais tais-toi !!!
Messages : 6156
Enregistré le : mar. 16 févr. 2016 22:25
Nombre de guitares fabriquées : 13
Localisation : PACA
Contact :

Re: Modification ampli à lampes Peavey

Message par Mickaël »

Merci pour ta remarque Pronto.
C'est comme pour la lutherie ou d'autres domaines, il faut prendre le temps de se renseigner (en plus maintenant on a internet, c'est quand même plus facile qu'il y a 25 ans), essayer de comprendre, faire des mesures, et y aller petit à petit. Au début sur une guitare, on commence par changer les micros, puis faire un nouveau pickgard, puis changer les potars et le sélecteur, etc, et un jour on en fait une de A à Z. Là, même s'il faut des bases en électronique (que l'on peut également trouver sur internet) c'est un peu pareil. Pour le moment, je n'ai fait que de la modification simple, il y en a eu une qui m'a mis l'ampli en panne mais avec de la méthode, j'ai pu trouver la panne et le réparer.

Pour ton ampli, tu peux éventuellement essayer de trouver un réparateur, il y en a encore dans les amplis de guitare. Ce n' est peut-être qu'un condensateur ou une résistance qui a cramé.
nicobass
Le sevrage sera dur !!
Messages : 1126
Enregistré le : ven. 10 juin 2016 21:31
Nombre de guitares fabriquées : 0
Localisation : IDF banlieue est

Re: Modification ampli à lampes Peavey

Message par nicobass »

Merci pour le partage.
J'ai fait "un peu" d'électronique dans mes études et ton projet est très intéressant à suivre.
Lire un schéma ce n'est en général pas si compliqué, mais s'y retrouver sur un pcb et aller dessouder/ressouder proprement au bons endroits c'est autre chose.
J'ai en projet de me faire une pédale de disto à partir du canal crunch de mon premier combo, un Crate TD70 (qui a une 12AX7 et pas de master volume), mais ce n'est pas urgent...
Éternel débutant
Avatar du membre
Mickaël
Mais tais-toi !!!
Messages : 6156
Enregistré le : mar. 16 févr. 2016 22:25
Nombre de guitares fabriquées : 13
Localisation : PACA
Contact :

Re: Modification ampli à lampes Peavey

Message par Mickaël »

Outre la difficulté de retrouver où dessouder/ressouder sur le PCB, la difficulté a été de ne rien abîmer avec les manipulations répétées (et forcément, il y a eu au bont d'un moment un fil qui a cassé mais ça se répare. Il faut juste vérifier avant de remettre sous tension que tout est en ordre).

Concernant la pédale de disto, je suis en train de regarder ça également. Ce que j'ai vu, c'est que généralement, une pédale de disto à lampe n'utilise pas la saturation de la lampe. Elle utilise la saturation de diodes, comme un ampli à transistor ou n'importe quelle pédale de disto classique, et la lampe sert juste à colorer le son. J'ai envie de faire une pédale où la saturation vient des lampes. La première difficulté, c'est l'alimentation, il faut plus de 100V pour alimenter les lampes. J'ai réussi à passer de 9V avec une pile à 116Vdc avec une combinaison d'oscillateurs et de multiplicateurs de tension à base de diodes (1N4148 par exemple) et de condensateurs (47nF ou 100nF). Avec un oscillateur type CD40106, on peut multiplier par presque 6 la tension d'entrée. Il faut en utiliser 2, un qui permet de monter la tension à 20V, et le second qui va multiplier cette tension par 6 (on ne peut l'alimenter avec plus de 20V). Au final, j'obtiens 116Vdc, ce qui va bien pour alimenter une 12AX7 par exemple.
Je vais déjà finir les modifs de l'ampli avant de partir là dessus.
Avatar du membre
TMF
Le sevrage sera dur !!
Messages : 1496
Enregistré le : sam. 17 janv. 2015 18:50
Nombre de guitares fabriquées : 0
Localisation : Bourbonnais

Re: Modification ampli à lampes Peavey

Message par TMF »

Tu peux aussi l’alimenter en AC basse tension, un petit transfo élévateur et tu obtiens ce que tu veux.
Et tu dois le savoir, mais si tu veux un peu de gain, il te faudra au moins 3 étages donc mini une paire de lampes.
Darasse
Superposteur
Messages : 168
Enregistré le : mar. 10 janv. 2023 13:16
Nombre de guitares fabriquées : 2
Localisation : 71 - Dans le Morvan

Re: Modification ampli à lampes Peavey

Message par Darasse »

je n'y comprends absolument rien, mais adore vous lire!
dans ma tête, ça ressemble à ça : :D
Image
Avatar du membre
Mickaël
Mais tais-toi !!!
Messages : 6156
Enregistré le : mar. 16 févr. 2016 22:25
Nombre de guitares fabriquées : 13
Localisation : PACA
Contact :

Re: Modification ampli à lampes Peavey

Message par Mickaël »

Darasse a écrit : mar. 10 mars 2026 14:38 je n'y comprends absolument rien, mais adore vous lire!
dans ma tête, ça ressemble à ça : :D
Image
Excellent :lol:
TMF a écrit : mar. 10 mars 2026 14:18 Tu peux aussi l’alimenter en AC basse tension, un petit transfo élévateur et tu obtiens ce que tu veux.
Et tu dois le savoir, mais si tu veux un peu de gain, il te faudra au moins 3 étages donc mini une paire de lampes.
Pour l'alimentation, j'aimerais rester sur un truc basique donc du DC. Mais ça va le faire.

Et oui, pour le nombre de lampes, au moins 2, ce qui montre bien que sur une pédale à une seule lampe, il y a forcément du transistor quelque part.

En plan de secours, j'ai des lampes 12U7 qui fonctionnent en 12V, ça servait sur des radios pour les véhicules qui ne disposaient pas de tension alternative, et il y a même les ECC86 qui fonctionnent en 6V.
Avatar du membre
TMF
Le sevrage sera dur !!
Messages : 1496
Enregistré le : sam. 17 janv. 2015 18:50
Nombre de guitares fabriquées : 0
Localisation : Bourbonnais

Re: Modification ampli à lampes Peavey

Message par TMF »

Ouais y’a Groovax qui avait monté un truc avec les U7 je crois.
Mais crunch hein, ça va pas coller avec tes pelles de l’enfer.
Avatar du membre
Mickaël
Mais tais-toi !!!
Messages : 6156
Enregistré le : mar. 16 févr. 2016 22:25
Nombre de guitares fabriquées : 13
Localisation : PACA
Contact :

Re: Modification ampli à lampes Peavey

Message par Mickaël »

Je vais tester avec les 12ax7 en premier. Je vais en parler avec notre ami Groovax alors.
Avatar du membre
chevaliernoir
Membre Hyperactif
Messages : 54
Enregistré le : dim. 31 août 2025 10:09
Nombre de guitares fabriquées : 1

Re: Modification ampli à lampes Peavey

Message par chevaliernoir »

Le preampli "cooltube" de la Takamine TB10 a une lampe 12AX7 alimentée par une pile 9V dont la tension est multipliée jusque 24V (+/-12V, e,n fait) à l'aide d'un MAX864.
Avatar du membre
Mickaël
Mais tais-toi !!!
Messages : 6156
Enregistré le : mar. 16 févr. 2016 22:25
Nombre de guitares fabriquées : 13
Localisation : PACA
Contact :

Re: Modification ampli à lampes Peavey

Message par Mickaël »

Une 12AX7 en 24V ? C'est étonnant parce que les docs ne mentionnent rien en dessous de 100V. Pour un canal clair, l'alimentation est autour de 100-150V et pour du saturé, il vaut mieux dépasser 200V. C'est d'ailleurs une des modifs que j'ai faite sur ce Peavey, qu'il faut que je détaille, c'est d'augmenter la tension du premier étage de saturation parce que c'était un peu léger.
Avatar du membre
chevaliernoir
Membre Hyperactif
Messages : 54
Enregistré le : dim. 31 août 2025 10:09
Nombre de guitares fabriquées : 1

Re: Modification ampli à lampes Peavey

Message par chevaliernoir »

On peut utiliser les tubes comme le 12ax7 à faible tension, mais l'impédance de sortie est très faute, si bien que c'est inutilisable dans un ampli a tube classique. Mais si on met un ampli op avant et après (comme dans ce preampli) ça marche 👍
Avatar du membre
Mickaël
Mais tais-toi !!!
Messages : 6156
Enregistré le : mar. 16 févr. 2016 22:25
Nombre de guitares fabriquées : 13
Localisation : PACA
Contact :

Re: Modification ampli à lampes Peavey

Message par Mickaël »

Merci pour l'info, je ne savais pas. Je ne me suis intéressé qu'aux amplis full tubes ou presque (il y a souvent un transistor ou deux qui se baladent quelque part)
Avatar du membre
Mickaël
Mais tais-toi !!!
Messages : 6156
Enregistré le : mar. 16 févr. 2016 22:25
Nombre de guitares fabriquées : 13
Localisation : PACA
Contact :

Re: Modification ampli à lampes Peavey

Message par Mickaël »

La modification qui va suivre a pour but d'augmenter le gain du canal saturé. J'avais trouvé une modif sur un forum que j'ai réalisée, l'auteur disait que ça donnait un son typé Mesa Boogie.

L'idée c'était de changer le régime d'alimentation du premier étage de saturation de pouvoir agir sur le courant de cathode et donc le grain de la saturation. Il ajoute également des capas de découplage sur la cathode pour augmenter le niveau de saturation.

Ca se passe sur V2A, c'est à dire la première triode de la lampe V2. Voici le schéma original :
Image

J'ai marqué en rouge l'entrée du signal à gauche et la sortie du signal à droite. En encadré bleu, on trouve R101, la résistance d'anode, elle va avoir une influence notamment sur la tension d'alimentation de la lampe, ou plutôt de la demie lampe, et R116 qui est la résistance d'anode, son influence sera surtout sur le courant d'alimentation de la demie lampe.
En jaune, on a une résistance et 2 diodes montées tête-bêche, qui vont créer de la saturation lorsque le mode boost sera enclenché. C'est ce que l'on appelle du "clipping diods", c'est typiquement la saturation que l'on trouve dans les amplis à transistor ou dans les pédales. Le signal est écrêté par 2 diodes et ça crée des harmoniques. on pourrait s'amuser à tester différents modèles de diodes pour avoir des sonorités différentes. Ca crée une saturation plus agressive que la saturation de lampe mais aussi une saturation plus froide.
En noir gras, il s'agit de la masse.

La modif dont on parle consiste donc à modifier le courant d'anode de la triode pour la rendre plus froide et moins stable, ce qui est sensé la faire saturer un peu plus. Pour cela, il faut ajouter un potentiomètre de 50k entre R116 et la masse, et changer la résistance d'anode R101 par une 220k (à la place d'une 150k). On peut ajouter une capa de 1µF en parallèle des 2 résistances, ce qui est sensé booster les fréquences supérieures à 1,2kHz, ou une capa de 22µF qui est sensée booster toutes les fréquences et donner une saturation plus grasse que la capa de 1µF.
Pour ma part, je n'ai pas remarqué une différence significative, à part rajouter du souffle avec l'option de booster toutes les fréquences.

Sur le schéma, j'ai noté la tension d'alimentation avant la résistance R101 qui est fournie par l'alimentation, de 290V, ainsi que la tension d'anode à la borne 1 de la triode, qui est de 126V.
En théorie, si le gain d'amplification est assez élevé, la lampe doit saturer, mais la tension de 126V me paraissait relativement faible. Pour comparer, j'ai relevé 155V et 167V sur les 2 triodes du canal clair.

J'ai décidé d'augmenter la tension d'anode de V2A. Pour cela, j'ai remplacé R101 par une résistance de 100k. De cette façon, la tension d'anode est passée à 271V, ce qui est déja plus cohérent avec ce que l'on trouve dans les amplis type 5150 ou JCM800. Lorsque j'agit sur le potentiomètre de 50k précédemment ajouté, la tension varie jusqu'à 138V, ce qui permet de retrouver quasiment la tension d'origine. Cependant, le timbre est un peu plus froid car ce potentiomètre diminue le courant de cathode de la lampe.

Une modification envisageable encore serait de changer la valeur de la capa C118. Je pense qu'en augmentant sa valeur, le son devrait être moins froid.

Cet ampli dispose d'un bouton de boost volume, qui permet d'augmenter le volume lorsque l'on passe en mode boost gain. C'est du fake, ça agit à l'inverse. En réalité, il y a une résistance à la sortie du canal Lead qui est déconnectée lorsque le mode boost volume est activé. Ce n'est pas un vrai boost. Le soucis par contre pour moi, c'est que ce "boost volume" n'est pas réglable.
J'ai donc remplacé ladite résistance de 150k (R150 sur le schéma global) par un potar de 1megaOhm en série avec une résistance de 100k pour avoir une résistance minimum.

Tous ces réglages, c'est sympa mais comment on intègre ça correctement dans l'ampli ?

J'ai décidé d'installer les 2 nouveaux potars à l'arrière, à la place de l'écrito sur les risques électriques que personne ne lit.

J'ai désossé l'ampli (une énième fois) pour n'avoir que la tôle à disposition :
Image

La partie électronique :
Image

J'ai marqué l'emplacement des 2 nouveaux potars par rapport à celui qui était déjà présent :
Image

Après avoir imprimé des beaux boutons ainsi qu'un fond, j'ai installé les potars :
Image
(je mettrai un lien pour télécharger les 3D des boutons pour ceux que ça intéresse, qui existent en version axe cannelé 18 ou 24 dents, et axe à méplat, imprimables sans AMS)

J'ai fait des petites étiquettes pour indiquer ce que c'est :
Image

Allé, pour finir avec les trucs chiants, j'ai supprimé la fonction "Resonnance Thight/Loose" pour la figer sur l'une des 2 (je ne sais plus laquelle") et utiliser le switch pour sélectionner 2 types de tone-stack différents sur le canal lead en jouant sur la valeur d'une capa (C2 sur l'un des schéma présent sur la partie qui traite du Tone stack) ainsi que la valeur de la résistance R4. Ca me permet d'avoir une position plutôt chaleureuse avec des mediums présents, et une position avec les mediums creusés et une saturation plus dans les aigus (un peu à la Pantera) :
Image

Sur la carte, ça se présente avec une capa en parallèle de C2 ainsi qu'une résistance en série avec R4, qui peuvent être shuntés par ce switch (fils jaunes pour la capa et fils bleus pour la résistance) :
Image

A l'arrière, on voit le switch tout à droite, le potar de reverb (anciennement classe A ou A/B) derrière la nappe de fils, le potar de tension de V2A et le potar de boost volume (qui est un boost négatif en réalité :
Image

Ici, on voit le fil vert et le fil jaune qui rejoignent le potar de reverb qui s'est retrouvé derrière, ainsi que le fil gris de signal qui est relié au nouveau potar de master volume en façade :
Image

Dernière modif électronique relou sans copeaux, c'est l'ajout de leds en façade de l'ampli pour savoir quel canal est sélectionné, boost ou non, bright ou non, etc. Pour cela, j'ai dû ajouter un relais inverseur pris sur le relais de changement de canal, et j'ai du me repiquer sur les commandes des relais de boost pour les autres leds.
Côté canal Clean, on a une led pour indiquer que le canal est actif, ainsi qu'une led pour indiquer que le switch Bright est activé :
Image

Côté canal Lead, on a une led pour indiquer que le canal est activé, une led pour indiquer que le boost gain est activé, et une led pour indiquer que le boost volume est activé :
Image

J'ai changé le voyant de mise sous tension, il est bleu maintenant. EDt j'ai mis une étiquette sous le potar de master volume pour indiquer sa nouvelle fonction :
Image

Le footswitch permet de changer de canal et d'activer ou non le boost gain. De ce fait, on dispose de 3 canaux au pied, un canal clair, un canal lead avec une saturation bien rock, et le boost gain qui permet d'augmenter encore la saturation pour se balader tranquillement dans le monde du metal.

C'est fini (pour le moment) avec l'électronique, on s'occupera du HP la prochaine fois (enfin, DU Hp tant qu'il n'y en a qu'un seul :green: )

Image
Avatar du membre
fidler
Stradimodo
Messages : 15988
Enregistré le : mer. 21 sept. 2005 13:32
Nombre de guitares fabriquées : 5
Localisation : Cherbourg

Re: Modification ampli à lampes Peavey

Message par fidler »

Que dire, que dire, j'en reste sans voix.. beau travail.
" Est ce Dieu ou le diable qui a mis 6 cordes à la guitare et 5 doigts à la main ? "
Avatar du membre
Mickaël
Mais tais-toi !!!
Messages : 6156
Enregistré le : mar. 16 févr. 2016 22:25
Nombre de guitares fabriquées : 13
Localisation : PACA
Contact :

Re: Modification ampli à lampes Peavey

Message par Mickaël »

Merci. Ça manque de photos, je n'ai pas trop pris de photos pendant les modifs, trop pris par ce que je faisais.
Avatar du membre
Mickaël
Mais tais-toi !!!
Messages : 6156
Enregistré le : mar. 16 févr. 2016 22:25
Nombre de guitares fabriquées : 13
Localisation : PACA
Contact :

Re: Modification ampli à lampes Peavey

Message par Mickaël »

J'ai encore fait quelques modifications sur cet ampli.

La première, il s'agit de réguler la tension de chauffage des lampes. Pour qu'une lampe fonctionne correctement, elle doit être chauffée. Pour cela, il y a un filament chauffant à l'intérieur. La tension d'alimentation dépend du type de lampe, c'est indiqué sur les fiches techniques.
Ici, on dispose de 2 types de lampes : des 12AX7 en préampli et push-pull, et des 6L6GC pour la puissance.
Les 6L6GC n'ont qu'un seul filament, situé entre les broches 2 et 7 :
Image

D'après les documentations, la tension d'alimentation du filament de chauffage est de 6,3V+/-10%, soit 5,67 à 6,93V.
Image

Or, en faisant des mesures, la tension de chauffage est au dessus de 7V, ce qui est trop. De plus, cette tension a tendance à changer de par la conception du circuit de chauffage.

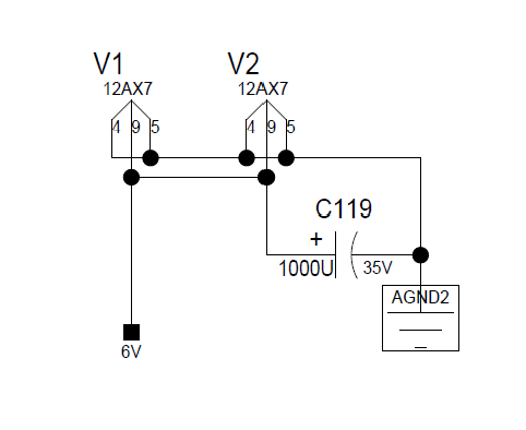
Les 12AX7 ont 2 filaments, un pour chaque triode. Soit on alimente les filaments en parallèle en 6,3V, soit en série en 12,6V.
Image

Soit on applique 6,3V sur les broches 4 et 5 avec la broche 9 à la masse (ou inversement, le sens n'a pas d'importance), soit on applique 12,6V entre les broches 4 et 5 sans relier la 9.
Au niveau des limites, on trouve par exemple une tolérance de +/-5% sur une doc Sovtek (ci-dessus) ou encore Tung-Sol (ci-dessous) :
Image

Un peu plus chez TAD (environ 8%) :
Image

C'est pareil, j'ai mesuré une tension qui varie entre 6 et 8V selon que l'ampli est chaud ou non, et selon ... je ne sais pas quoi d'ailleurs. Je pense que lorsque les filaments chauffent, leur valeur de résistance varie et comme, nous le verront après, les lampes sont câblées en série, une variation de résistance entraine une variation de courant, qui fait varier la tension des autres lampes. Bref, ce n'est pas terrible comme principe, et vraiment pas stable.

Si les lampes ne craignent pas de ne pas être assez chauffées, elles n'aiment pas être trop chauffées, ça les use prématurément.

Le circuit est bizarrement foutu. En effet, on a une tension de chauffage (HTR1) de l'ordre de 20V, avec les 2 lampes de puissance en série, et il en sort un 6V qui vient alimenter les 3 12AX7 en parallèle:
Image
Image

De ce fait, si une résistance de chauffage venait à chuter, ça ferait une sur-tension sur les autres lampes. Et globalement, les lampes sont un peu trop chauffées, on va corriger ça.

Dans un premier temps, j'ai testé de câbler toutes les lampes (je parle uniquement de la résistance de chauffage) en parallèle sur HTR, et de réguler la tension avec un régulateur de tension de 6,3V (L7806CV). En théorie, c'est l'idéal mais en pratique, ça ne fonctionne pas. En effet, le montage d'origine ne nécessite que 0,9A environ, alors que mon nouveau montage nécessite un courant de 2,7A, et l'alimentation ne permet pas de les délivrer.

Donc j'ai choisi de conserver le câblage d'origine mais je l'ai amélioré pour réguler la tension à l'aide de diodes zener de 6,2V.
Une diode, c'est un composant qui a 2 pattes, et un sens de branchement. La principale caractéristique de la diode, c'est qu'elle ne laisse passer le courant que dans un sens. Elle a une tension limite au delà de laquelle elle meurt
Une diode zener, c'est également une diode mais qui a la particularité de ne pas mourir si on l'alimente avec une tension trop élevée. Et même mieux, elle laisse passer suffisamment de courant afin de maintenir une tension proche de sa tension limite. Il en existe énormément, avec des valeur de tension importantes.
Dans mon cas, j'ai choisi des diodes zener de 6,2V.

Pour que le montage fonctionne, j'ai monté des résistances de 390 Ohms en parallèle du chauffage des 6L6 ainsi qu'une diode zener. Dans ce cas, la résistance permet d'abaisser la tension aux bornes de la lampe en laissant filer du courant en parallèle de la lampe, et la diode zener laisse filer le courant nécessaire afin de maintenir une tension d'environ 6,2V (en réalité, j'ai mesuré entre 6,2 et 6,5V, ce qui est très bien). La résistance est là pour éviter que tout le courant superflu passe par la diode, ça limitera sa chauffe :
Image

Pour les 3 12AX7, j'ai utilisé uniquement une diode zener en parallèle du circuit de chauffage, la résistance n'est pas nécessaire car il n'y a plus beaucoup de courant à drainer pour bien réguler la tension.
J'ai installé un mini-voltmètre qui me permet de surveiller la tension de chauffage des 12AX7 et vérifier que tout va bien :
Image

La deuxième modif, c'est l'ajout d'un réglage de Presence et Resonnance, qui sont présents sur certains amplis à lampes, mais pas celui-là. Un pote m'a dit que c'est important, surtout pour jouer avec les autres. En vrai, je ne savais pas trop à quoi ça servait, qu'est ce que ça donne au son, il m'a dit "c'est simple, c'est écrit dessus !" :lol:
Il m'a dit que ça permet de donner une compression naturelle au son, et que ça permet de mieux ressortir par rapport aux autres instruments quand on joue avec eux.

J'ai regardé sur les plans d'ampli ce que c'est au niveau électronique, ce n'est pas très compliqué, il faut 2 potentiomètres, quelques résistances et quelques condensateurs.
Je n'ai rien inventé, j'ai repris le schéma de la version 100W de cet ampli, qui dispose de ces réglages :
Image

Ces fameux réglages sont faits par le circuit encadré en jaune, le fil noir est relié à la masse, le fil rouge est relié à la sortie de l'ampli (ici, sur la sortie 8 Ohms) et le fil vert part à l'anode de la dernière lampe de préampli.

J'ai fait un petit circuit sur une carte de prototypage, et j'ai mis ça dans un boitier imprimé 3D, dans lequel j'ai collé 4 aimants :
Image

Les aimants me permettent de mettre ce boitier à l'arrière le temps de tester :
Image
Image

Après une petite période de tests, je valide le montage.
J'ai démonté l'ampli, et rajouté un trou à l'arrière :
Image

Oui, un seul trou, car le réglage de V2A que j'avais mis à l'arrière a disparu, j'ai soudé une résistance pour figer le réglage.

J'ai imprimé une pièce pour bien positionner les potentiomètres :
Image

Ca passe juste mais ça passe, la piste la plus proche du potar le plus à droite est une piste de masse, il n'y a pas de risque de court-circuit.

J'ai refait une plaque de finition avec l'étiquetage des réglages :
Image
Avatar du membre
archpat
Mais tais-toi !!!
Messages : 3778
Enregistré le : ven. 18 mai 2012 12:30
Nombre de guitares fabriquées : 30
Localisation : Dordives

Re: Modification ampli à lampes Peavey

Message par archpat »

’tain j’ai décroché après la première phrase :banghead:
Écrire des choses pareilles à une heure du matin !
Tu es sur que tu as pris tes médocs ?
My name is Pat, Psycho Pat.
Avatar du membre
Mickaël
Mais tais-toi !!!
Messages : 6156
Enregistré le : mar. 16 févr. 2016 22:25
Nombre de guitares fabriquées : 13
Localisation : PACA
Contact :

Re: Modification ampli à lampes Peavey

Message par Mickaël »

Ceux que m'obligent à prendre les types en blouse blanche ? Bien sûr que non, ils sont fous ! :lol:
Répondre